全球Global
手机版
二维码
购物车
免费服务热线021-69980278,021-31608131
选择频道搜索
EHS服务供应
VR安全体验
法律法规
经理人学院
EHS工业品
EHS大数据
职业病
安全生产法
安全
安全生产
特种设备
消防安全
消防
EHS培训
安全管理
职业卫生
首页
EHS服务供应
EHS咨询培训
VR安全体验
法律法规
经理人学院
EHS工业品
EHS大数据
成为专家顾问
English
免费发布
首页
>
法律法规
>
立法动向
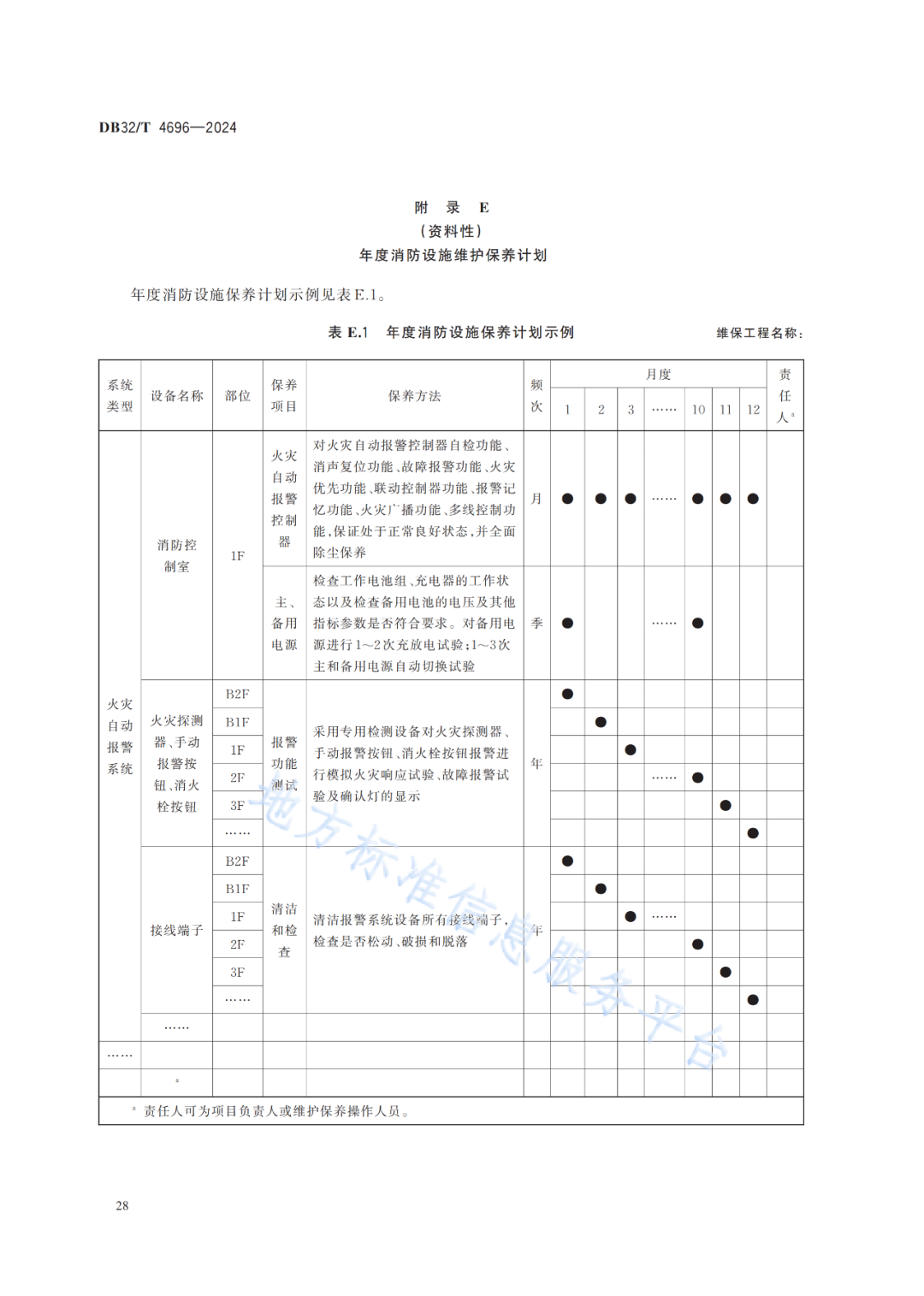
DB32/T 4696-2024 《建筑消防设施维护保养规程 》,3月5日起实施!
2024-04-09
252
DB32/T 4696-2024 《建筑消防设施维护保养规程 》,3月5日起实施!
江苏省地方标准|DB32/T 4696-2024 《建筑消防设施维护保养规程 》,3月5日起实施!
来源:地方标准信息服务平台
点赞
0
反对
0
举报
收藏
0
评论
0
分享
54
ehscity
没有留下签名~~
相关法律法规
《受限空间作业管理导则 第1部分:催化剂装剂卸剂无氧作业(征求意见稿)》T
5月起,这些安全新规标准开始实施!
关于公开征求强制性国家标准GB《安全色和安全标志(征求意见稿)》意见的函
2024年2月开始实施的安全相关标准规范
李强签署国务院令 公布《碳排放权交易管理暂行条例》
安委办〔2024〕1号 | 工贸安全生产治本攻坚三年行动方案(2024-2026 年)
安委办关于职业健康保护工作纳入卫生健康系统安全生产治本攻坚三年行动(附方案全文
T/CCSAS050—2024 《化学化工实验室化学品安全操作规程编写指南》 自2024年02月28日起实施
推荐法律法规
《受限空间作业管理导则 第1部分:催化剂装剂卸剂无氧作业(征求意见稿)》T
5月起,这些安全新规标准开始实施!
关于公开征求强制性国家标准GB《安全色和安全标志(征求意见稿)》意见的函
2024年2月开始实施的安全相关标准规范
李强签署国务院令 公布《碳排放权交易管理暂行条例》
安委办〔2024〕1号 | 工贸安全生产治本攻坚三年行动方案(2024-2026 年)
安委办关于职业健康保护工作纳入卫生健康系统安全生产治本攻坚三年行动(附方案全文
T/CCSAS050—2024 《化学化工实验室化学品安全操作规程编写指南》 自2024年02月28日起实施
DB32/T 4696-2024 《建筑消防设施维护保养规程 》,3月5日起实施!
2024年3月开始实施的安全相关标准规范
点击排行
网站首页
|
关于EHSCity
|
产品服务
|
联系方式
|
版权隐私
|
隐私政策
|
EHS微信群 EHS论坛
|
网站地图
|
广告服务
|
网站留言
|
RSS订阅
|
违规举报
|
粤ICP备19037413号
2011-2110 EHSCITY All Rights Reserved 版权所有 新环康安(深圳)发展有限公司